提升照明效果只需一招?全新线性汽车LED控制器实力上线!
汽车照明技术已历经数十年的发展。在发光二极管(LED)照明时代,人们对一体式车灯设计的期望从未如此之高正因为如此,这些高期待推动着半导体行业LED驱动器的技术不断发展。
如今,汽车照明要求高质量的均衡设计以保证无论是前灯还是尾灯都具有卓越的照明效果。

图1:汽车前灯

图2:汽车尾灯
在过去,提高亮度的方式是增加LED灯的数量。但如果您现在拆开一个新的尾灯,就会看到大量的导光材料、光管、遮光罩和其它复杂的照明结构,这些都是为了实现更佳的照明效果。为实施上述措施,需要减少LED灯的数量且提高每个LED灯的电流是必不可少的。
设计人员使用开关型LED驱动器提高每个LED灯的电流。但是在车尾组合灯(RCL)中,高开关频率可能会对天线造成很大干扰,带来电磁干扰(EMI)和电磁兼容(EMC)问题。使用线性LED驱动器时,LED驱动器内部的高功耗可能会影响整个照明灯的使用寿命。
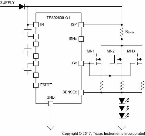
TI推出的全新三通道高侧恒流汽车线性LED控制器,可帮助解决这些问题。图3为器件TPS92830-Q1的示意图。

图3:TPS92830-Q1简化示意图
TI移除了器件内部的金属氧化物半导体场效应晶体管(MOSFET),以便设计师根据实际输出电流来决定整个RCL系统所需要的MOSFET类型。
如此一来,设计师可以设计出更精密的尾灯:通过使用一个或两个TPS92830-Q1,并结合外部高电流MOSFET,以提供每个通道高达250mA或300mA的电流。
这项创新还可释放器件本身的热量,优化整个系统的散热性能。利用此项创新,您可以使用TPS92830-Q1驱动制动灯、尾灯、转向灯、位置灯以及日间行车灯(DRL)。具体取决于您的设计需要多大的外部MOSFET。

图4:MOSFET并行驱动支持
同时,TPS92830-Q1还集成了高精度片上脉宽调制(PWM)发生器。误差领先业内,低至2%,在每盏灯上均可实现高质量的均衡设计,尤其适用于在后备箱和挡泥板上分别安装灯的设计。肉眼无法分辨两种灯的亮度差异。您可以根据系统架构在片上PWM信号和外部PWM信号之间进行选择。
该器件具有全面领先的保护和检测功能,可确保您的设计满足所有汽车原始设备制造商(OEM)的要求,如LED开路、LED短路和一个失效全部失效。 TPS92830-Q1还支持电流降额功能,可在高压输入条件下保护外部MOSFET,确保系统的可靠性。

关于德州仪器
关于德州仪器公司DLP®产品事业部:
自1996年以来,德州仪器公司的DLP显示技术屡获殊荣,为全球顶级的显示设备提供色彩丰富、对比鲜明、 高清靓丽的优秀画质,已广泛应用于包括智能显示技术在内的各种装置。利用DLP的智能显示功能,用户可在诸如汽车、医疗和互动投影等各种应用中与内容互 动。从影院(DLP Cinema®)到大型专业展厅,从会议室、教室到家庭影院,DLP的技术贯穿其中。此外,DLP Pico™使移动设备能够在您手中轻易地投影出画面。每一块DLP芯片的核心是由多达800万块显微镜所排成的阵列,它们超高速切换。凭借速度优 势,DLP技术可提供最尖端的应用。
更多信息请访问:www.dlp.com/cn/
关于德州仪器的创新:
80 多年来,德州仪器一直行走在科技创新前沿,其所生产的更高集成性、更快速且更节能的产品总能带给客户与众不同的感受。今天,随着能量采集、能源管理、云计 算、安全性、医疗健康技术等方面的进步,我们正在构建新的未来。更多关于德州仪器的模拟和嵌入式处理产品在现在以及将来如何改善人们生活、工作和娱乐方式的信息,敬请访问www.ti.com/innovation
关于德州仪器:
德州仪器 (TI) 半导体提供创新技术帮助全球90,000家客户开启未来世界无限可能。德州仪器致力于打造更智能、更安全、更环保、更健康以及更精彩的生活。我们把构建美 好未来的承诺付诸于日常言行的点滴,从高度负责地生产半导体产品,到关爱员工、回馈社区。这一切仅是德州仪器实践承诺的开始。更多详情,敬请查阅 www.TI.com.cn
DLP 和 DLP Cinema 为德州仪器公司注册商标。
联系德州仪器
免责声明:本文来源于德州仪器,本文仅代表作者个人观点,本站不作任何保证和承诺,若有任何疑问,请与本文作者联系。
最新动态更多
- 实力承载 视觉探秘—— NEC魔幻秀《浪淘沙̶
- “黑河之眼”刷屏抖音朋友圈,利亚德“中国屏”
- 台达激光DLP显示系统,为华北某省气象局打造气象
- 【走进深圳】光视讯:专注研发创新 卓越产品品质
- 美视实力产品出货--500吋大型M工程银幕
- 闪耀一带一路 国画再续世博缘 ——中航国画激光
- 朗恒科技TVO-3H无压缩HDMI视频光端机用于4K拼接
- 5G大机遇下的两化融合发展之路暨两化百人会俱乐
- 传统拼接处理器与分布式拼接处理器的区别
- 顶尖数字艺术家云集 法国梅茨夏季星海艺术文化节
- 【走进深圳】库帕:打造差异化核心竞争优势
- 你知道光端机吗?对它的工作原理熟悉吗?
- 会展 | newline亮相2019北京部委央企及大型企业
- 从“人脸识别”向前一步 AI识别对象不断拓展

















官方微博