专题测试:双重印证教学设备的安全性问题
关于教学设备,就此专题选择了行业内知名度较高的交互智能平板、液晶投影机、激光投影机三款典型样机,应用现有的测试资源,从清晰度、闪烁度和辐射做了测试验证。
清晰度:投影仪边缘模糊,尺寸越大越明显
人眼观看模糊的画面会收缩放大瞳孔,而局部模糊会让人眼不断调整瞳孔,造成用眼疲劳。投影机受光学镜片的公差、材料特性、热胀冷缩等影响,会出现虚焦现象,就是调整焦聚中间清晰后,但边缘出现模糊问题,投放尺寸越大越明显。交互智能平板是液晶显示屏幕,技术上占据优势,并不会出现此问题。

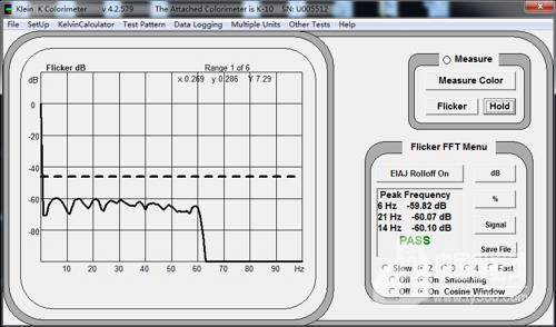
闪烁度:投影仪使用年限过长后,闪烁频率偏高
闪烁会在一定时间内造成眼睛疲劳和眩晕。通过Flicker测试波形图,可以发现交互智能平板和投影机都在安全范围值内。但是投影机在长久未经维修的情况下容易发生屏幕闪烁现象,投影实测值高于-45dB(人眼能感受到的闪烁频率),但使用年限相同的交互智能平板依旧在安全值内。

投影Flicker测试波形

交互智能平板Flicker测试波形
EMI辐射:交互智能平板和投影都没有明显的辐射超标
通过测试对比,可得出交互智能平板的辐射低于投影,但投影和交互智能平板的EMI都在安全范围内,没有明显的辐射超标。

激光投影EMI测试数据

交互智能平板的EMI测试数据
从以上三个维度的测试中可看出,教学设备交互智能平板和投影都在安全范围值内,且交互智能平板占据一定优势。教学设备并不会对学生的视力和健康造成影响。
文章来源:中国投影网 ©版权所有。未经许可,不得转载。
最新动态更多
- 实力承载 视觉探秘—— NEC魔幻秀《浪淘沙̶
- “黑河之眼”刷屏抖音朋友圈,利亚德“中国屏”
- 台达激光DLP显示系统,为华北某省气象局打造气象
- 【走进深圳】光视讯:专注研发创新 卓越产品品质
- 美视实力产品出货--500吋大型M工程银幕
- 闪耀一带一路 国画再续世博缘 ——中航国画激光
- 朗恒科技TVO-3H无压缩HDMI视频光端机用于4K拼接
- 5G大机遇下的两化融合发展之路暨两化百人会俱乐
- 传统拼接处理器与分布式拼接处理器的区别
- 顶尖数字艺术家云集 法国梅茨夏季星海艺术文化节
- 【走进深圳】库帕:打造差异化核心竞争优势
- 你知道光端机吗?对它的工作原理熟悉吗?
- 会展 | newline亮相2019北京部委央企及大型企业
- 从“人脸识别”向前一步 AI识别对象不断拓展
投影
投影











官方微博