DLP拼接显示系统日常维护及故障处理
一、大屏幕拼接显示系统简介
大屏幕拼接显示系统就是将单套投影显示单元通过物理拼接的方式,组合成一个高亮度、高分辨率、色彩还原准确的显示墙,并通过拼接控制器对显示画面进行控制,来实现信号源的任意调用、显示窗口的任意开合、显示画面的任意缩放、随意拖动等功能。
DLP 背投显示单元拼接的缝隙较小,画质较好,适合于对画面拼接要求较高的应用场合,常用于监控中心、调度指挥中心等。DLP 投影显示系统由视频接口电路、视频前端处理器、视频图像增强处理器、DMD 控制电路、光学引擎、投影屏幕等部分组成 [1]。其中,光学引擎又包括光源、显示芯片和光学成像系统等,光源的不同影响着DLP 背投大屏幕的显示质量、稳定性、维护周期和成本。
二、LED 光源的DLP 背投大屏幕拼接显示系统日常维护
尽管LED 光源的DLP 背投大屏幕拼接显示系统没有灯泡、色轮等其它需要经常更换的消耗部件,而且各系统厂商也宣称该系统后期维护量很小,但是,维护人员切记不能抱着大屏幕系统能亮就能使用,坏了再去维修的思想。定期的维护保养,是保证系统高效运行的重要手段,为了更好的发挥该系统的作用,需要维护人员在以下几个方面做好日常维护工作。
2.1 保持良好的使用环境
2.1.1 防尘
通常新机刚刚装设完成的时候,一切都是很美好的、清晰度、对比度亮度都是在最佳状态,但是小小的灰尘却能让大屏的影像质量在几个月之内快速的下降, 甚至造成机器无法工作 [2],因此,防尘问题不容忽视。维护人员要做的就是对大屏幕系统进行定期清洁,
一是防尘网的清洁:每个大屏幕显示单元箱体后盖上都会有一层防尘网,发挥着既保证箱体内部通风散热又保证箱体内部清洁的作用,要根据实际使用环境定期清洁或者更换防尘网,投影机芯上也有一层防尘网,因为箱体后盖上的防尘网已经起到了一定的防尘作用,所以该防尘网的维护周期可以根据实际情况适当放宽一些。
二是反射镜的清洁:背投大屏幕拼接显示系统为了节省安装空间,减少大屏幕箱体的厚度,其结构设计是在其箱体内设置一块反光率高达98% 以上的反射镜,该反射镜在使用一段时间后在其表面也会聚集一定的灰尘,从而影响显示效果。
三是屏幕的清洁:投影屏幕容易吸附灰尘,在使用中不要用手或其他东西接触屏幕的表面,必须定期对屏幕进行清洁,以保证屏幕不变形、不影响显示效果。需要注意的是,在清洁反射镜及投影屏幕时应使用专用无尘布并避免使用有机溶剂,如有必要,可以沾少许无水乙醇进行擦拭。
2.1.2 恒温恒湿
散热问题是影响LED 光源DLP 大屏幕光源寿命的关键因素,直接关系到设备的经济效益成本[3],因此,应按照设备说明书合理调节使用环境的温湿度,应综合考虑设备总散热量和使用环境的面积,配备相应制冷量的恒温恒湿空调机。为了避免DLP 显示屏体因冷热不均而造成损坏和结露现象,并且保证大屏幕前后温度均匀,最好采用地板下送风的方式,如果采用上送风的方式,空调出风口应朝向远离拼接单元的方向,严禁向屏幕直吹。
2.2 合理开、关机操作
大屏幕拼接显示系统安装调试完成之后,应尽量避免频繁进行开关机操作,在需要断电进行维护操作时,一定不要人为强行关掉电源,应在使用遥控关闭系统后,等待几分钟让机器逐步冷却至自动停机,再切断电源,以免损坏设备。当执行了关机操作之后,如果又想立即打开,也要最好等待几分钟之后再执行操作,避免频繁开关机对设备造成的损伤。
2.3 显示预案的保存
因大屏幕拼接显示系统具有调度灵活、画面随意组合的特点,在实际应用过程中,会根据不同的显示需求将整个拼接屏幕划分成几个不同的显示区,或是将不同的信号源组合成新的显示画面,每一次显示内容的调整,都会对屏幕进行重新布局。为了防止调整信号源的时候将屏幕上显示的信号位置弄乱,或是为了能够在需要的时候达到一键切换的目的,就需要将每一次屏幕的布局、分区、显示内容的位置等内容保存成预案,这样既可以在需要的时候临时切换显示内容,又可以在临时任务结束时快速恢复到正常画面。参考显示预案示意图如图1 所示。

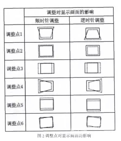
2.4 定期调整光栅
大屏幕拼接显示系统在使用了一定的时间后,会出现光栅的漂移,造成画面失真和相邻屏幕间的错位。目前,大部分拼接显示系统使用的投影机光栅调整台为六轴的调整台,可以进行上、下、左、右、倾斜、偏转、旋转等全方位调整,六轴调整台通过精密齿轮传动机构和调节旋钮,确保画面精确调整和几何定位。维护人员在进行调整操作时,一定要小心翼翼的旋转调整轴,以免用力过大造成调整轴的损坏。调整点对显示画面的影响如图2 所示。

三、LED 光源的DLP 背投大屏幕拼接显示
系统典型故障处理
在大屏幕拼接显示系统使用过程中,可能会遇到一些系统故障导致不能正常使用,维护人员只有充分了解了系统的技术架构和原理,才能够在出现故障时快速定位故障点,及时解决问题。在大屏幕系统操作便利性方面,大屏幕拼接控制器对维护及使用人员帮助很大。大屏屏体技术决定了监测画面的显示质量,大屏拼接控制器则决定了系统信源的调度能力[4]。因此,在故障定位及故障解决过程中,一定要对大屏幕拼接控制器软件多加利用。
3.1 画面不能切换
故障现象:大屏只能显示当前画面,不能进行切换操作。首先需要检查大屏幕控制软件是否已经卡死,尝试重新启动控制软件解决。其次,检查装有控制软件的电脑网线与交换机的连接是否正常或大屏幕与控制器之间的控制线是否正常。最后,可尝试重启控制器。
3.2 画面黑屏
大屏幕系统最常见的故障就是黑屏,黑屏的原因有很多种,需要一一排查。
3.2.1 拼接屏整体黑屏
如果是拼接屏幕整体出现黑屏现象,首先可以通过大屏幕拼接控制器检查是否设置了自动关机或待机,在控制软件中点击系统开机按钮观察情况。其次要检查电源供电是否正常,如果以上两点都正常但屏幕依然整体黑屏的话就要考虑由系统厂家专业人员来检查问题了。
3.2.2 单一屏幕黑屏
首先,可以通过大屏幕拼接控制器软件检查信号源是否正常及信号源是否被多次使用,例如信号源服务器只有两路输出,如果大屏幕上有三处都使用了该信号的时候,就会有一处出现黑屏。其次,如果在控制软件上发现该信号源不正常,就要检查信号源服务器是否正常、信号源服务器与控制器之间的视频连接线是否松动等。如果在控制软件上发现该信号源正常,则要检查投影机及控制器与投影机之间的视频连接线,可以在控制系统中找到对应的投影机,通过软件将其重启后观察情况,还可以到拼接墙后面找到对应的投影机,手动进行断电再重新加电。如果故障现象依然存在,就要考虑可能是投影部件故障,需要联系厂家上门解决。
3.3 画面偏色
图像颜色有时偏蓝、有时偏绿、有时正常,这种情况可能是信号源与投影机之间的视频连接处松动,也可能是投影机本身的故障。首先可以使用控制软件将大屏幕切换为投影机自带的测试信号,如果测试信号正常,则判定为视频线故障,可尝试将视频线连接处拧紧或更换视频线解决。
文章来源:中国投影网 ©版权所有。未经许可,不得转载。
最新动态更多
- 多维联盟 智控未来▕ 联建光电新一代指挥中心显
- 【走进深圳】艾博德:精于创新研发,多元化应用
- 公共广播系统设计过程中需要考虑哪些点
- 雷蒙电子护航福州古厝保护与文化传承论坛
- 维康国际触摸拼接屏给你更便捷的操作体验
- AET阿尔泰加入广东光大集团高科技航母编队,共谋
- 宏碁投影机组合出拳,助力山东泰安农业展厅大放
- PHILIPS商显大屏打造泰康体验中心 让每一平米发
- 什么才是“入门级”4K投影机?揭秘“入门”背后
- 新品齐齐汇集成都InfoComm China展会 到现场亲身
- 台达Delta Controls O3门禁系统,懂安防更懂你!
- 鸿合科技超大尺寸薄玻璃物理钢化炉正式量产
- 摄影技巧分享:快速简便的增强图像的方法
- 他走过最危险的地方,拍过最震撼的画面












官方微博